

Application
Il convient pour peser les graines, les arachides, les noix, les amandes, les raisins secs, les bonbons, les pistaches, les croustilles, les boulettes et autres granulés, feuilles, bandes, matériaux de forme ronde.


Caractéristiques
1. Cellule de charge spéciale de haute précision et de haute qualité.
2. Alarme de défaut intelligente, entretien pratique.
3. Fonction de décharge décalée à grande vitesse, empêchent efficacement les matériaux de blocage.
4. Grâce à sa conception modulaire intégrée, les composants mécaniques et électroniques sont faciles à installer et à entretenir.
5. Le protocole de communication standard de l'industrie Modbus, réalise la combinaison d'interface de la peseuse associative et de la machine d'emballage.
Caractère mécanique
1. Trémies à grande vitesse sans ressorts pour éviter que le ressort cassé ne tombe dans les paquets.
2. La nouvelle conception de l'actionneur sans ressort rend le pesage plus stable et plus rapide.
3. Les chutes de décharge à double couche avec des trémies de synchronisation à grande vitesse doubles pour alimenter la machine d'emballage à son tour, surmontent les problèmes de vitesse de déchargement du temps d'alimentation de la goulotte.
4. La soudure intégrale du boîtier de la machine et du siège central améliore considérablement la résistance de la machine, rend la trémie plus courte.
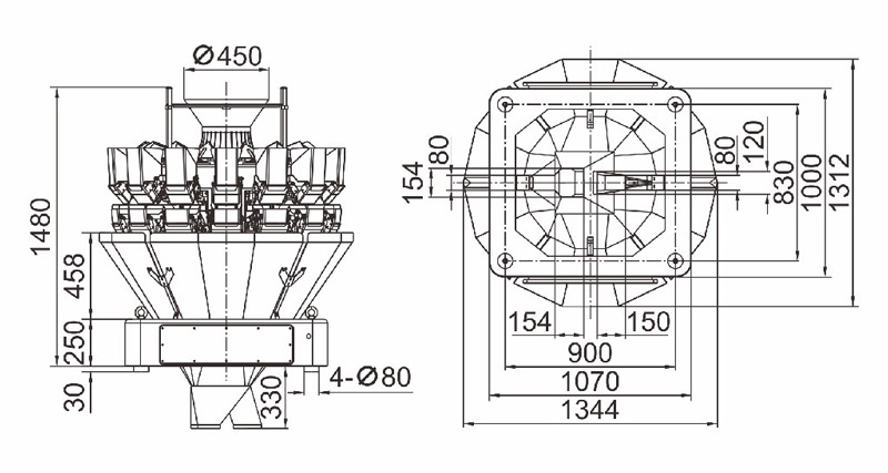
Spécifications techniques
| Modèle | JW-A14 | JW-A18 |
| Identifier le code | A14-3-1 | A18-3-1 |
| Gamme de pesage | 10 à 1000g | 10 à 1000g |
| Précision | X (0,5) | X (0,5) |
| Vitesse maximale | 130P / M | 180P / M |
| Volume de la trémie | 2,0 L | |
| Panneau de configuration | Écran tactile de 10,1 po | |
| Options | Plaque à fossettes / trémie de synchronisation / imprimante / dispositif de rejet | |
| Système de conduite | Moteur pas à pas | |
| Puissance requise | 220V / 1000W / 50 / 60Hz / 10A | 220V / 1000W / 50 / 60Hz / 10A |
| Dimension d'emballage (mm) | 1760 (L) x 1190 (L) x 1390 (H) | 1950 (L) x 1650 (L) x 1650 (H) |
| Poids brut | 500 kg | 800 kg |



