

La peseuse associative standard 2nd G convient pour peser des bonbons, des graines, de la gelée, des aliments pour animaux de compagnie, des aliments gonflés, des pistaches, des arachides, des noix, des raisins secs, des fruits secs, des aliments surgelés, des collations, des matériels, des boulettes de viande, etc.

1. cellule de charge spéciale avec une haute précision et un niveau élevé.
2.Mode stable multi-échantillonnage intelligent, précision plus élevée.
3. diagnostic d'alarme intelligent.
4.Fonction de vidage échelonnée à haute vitesse.
5. technologie de bus modulaire et CAN, plus efficace et stable.
6. protocole de communication de l'industrie Modbus.
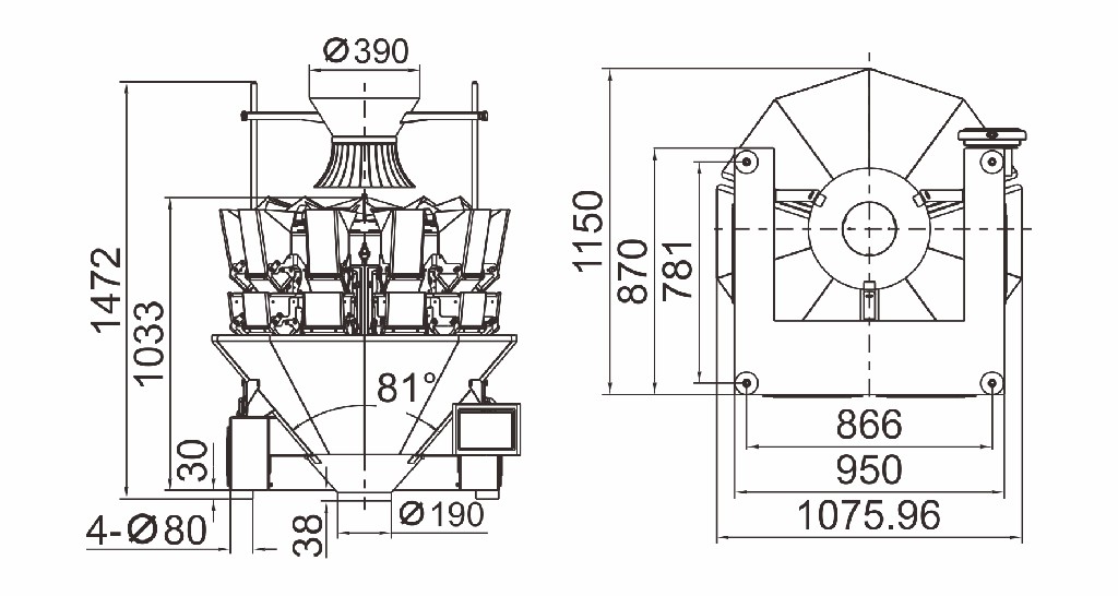
Trémie 1.1.6L / 2.5L, une large gamme d'application à différents produits.
L'écran tactile de 2,7 "peut répondre aux besoins de l'utilisateur.
La nouvelle conception de l'actionneur réduit les vibrations mécaniques et améliore la précision de la valeur de la cellule de charge.
4.Le corps de la machine en forme d'arc avec un grand traitement O améliore la stabilité et l'apparence.
5.Les normes de conception uniformes et le traitement des moules contribuent à une meilleure interchangeabilité des pièces de rechange.
Le châssis de la machine 6.Integral et l'armoire de la machine contribuent à plus de stabilité et de précision.
7.Option: seaux simples sans ressort.
| Modèle | JW-A10 | JW-A14 | JW-A10 | JW-A14 |
| Identifier le code | A10-2-1D | A14-2-1D | A10-2-1DW | A14-2-1DW |
| Gamme de pesage | 10 à 1000g | 10 à 1 500 g | 10 à 1000g | 10 à 1 500 g |
| Précision | X (0,5) | X (0,5) | X (0,5) | X (0,5) |
| Vitesse maximale | 65 P / M | 120 P / M | 65 P / M | 120 P / M |
| Volume de la trémie | 1,6 L / 2,5 L | 1,6 L (sans ressort) | ||
| Panneau de configuration | Écran tactile de 7 pouces | |||
| Options | Plaque à fossettes / trémie de synchronisation / imprimante / dispositif de rejet | |||
| Système de conduite | Moteur pas à pas | |||
| Puissance requise | 220V / 1000W / 50 / 60Hz / 10A | 220V / 1000W / 50 / 60Hz / 10A | 220V / 1000W / 50 / 60Hz / 10A | 220V / 1000W / 50 / 60Hz / 10A |
| Dimension d'emballage (mm) | 1620 (L) x1080 (L) x1120 (H) | 1700 (L) x1080 (L) x1210 (H) | 1620 (L) x1080 (L) x1120 (H) | 1700 (L) x1080 (L) x1210 (H) |
| Poids brut | 400 kg | 500 kg | 400 kg | 500 kg |



