

Il convient pour peser des granulés de petit poids tels que des graines, du thé, des grains de café, etc.

1. Adoptez une cellule de charge précise élevée de marque célèbre, la résolution est améliorée jusqu'à 2 décimales.
2. La fonction de récupération du programme peut réduire les échecs de fonctionnement et prendre en charge l'étalonnage du poids multi-segments.
3. Aucune fonction de pause automatique des produits ne peut améliorer la stabilité et la précision du pesage.
4. L'amplitude linéaire peut être ajustée indépendamment.
5. De nombreuses langues disponibles pour les marchés mondiaux.
6. La capacité de 100 programmes peut répondre à diverses exigences de pesage et un menu d'aide convivial contribue à une utilisation facile.
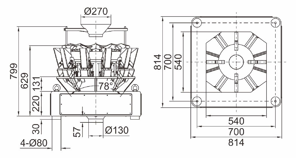
1. Trémie de 0,3 L, conception à faible vibration, bonnes performances.
2. Utilisez le type de pesage pour la détection du matériau afin de contrôler précisément le temps d'alimentation et l'épaisseur du matériau et d'assurer la précision du pesage.
3. Plateau d'alimentation en V spécialement conçu pour les petits poids cibles afin d'assurer une alimentation et une précision de pesage uniformes.
4. Le châssis intégré de la machine avec une position intermédiaire améliore la résistance de la machine, ce qui raccourcit considérablement le temps de stabilisation des trémies.
5. Le corps de la machine en forme d'arc avec un grand traitement R améliore la stabilité et l'apparence.
6. Le nouveau vibrateur linéaire double parallèle contribue à des vibrations plus petites, l'actionneur à entraînement latéral rend la lecture plus précise et la précision de pesage plus élevée.
| Modèle | JW-A10 | JW-A14 |
| Identifier le code | AS10-1-2 | AS14-1-2 |
| Gamme de pesage | 1 à 60 g | 1 à 60 g |
| Précision | X (0,5) | X (0,5) |
| Vitesse maximale | 60P / M | 120P / M |
| Volume de la trémie | 0,3 L | |
| Panneau de configuration | Écran tactile 7 '' | |
| Options | Plaque à fossettes / trémie de synchronisation / imprimante / dispositif de rejet | |
| Système de conduite | Moteur pas à pas | |
| Puissance requise | 220V / 900W / 50 / 60Hz / 8A | 220V / 1100W / 50 / 60Hz / 10A |
| Dimension d'emballage (mm) | 1190 (L) x970 (L) x950 (H) | 1190 (L) x970 (L) x950 (H) |
| Poids brut | 180 kg | 220 kg |



