
适用于铝箔包装制品:咖啡袋、花生、干制肉品、糖果、巧克力等物料的检测,应用于食品、药品、化妆品、保键品、化工等行业的金属异物检测。物料包装状态可是散装、袋装、瓶装、箱装等形式。
1. 搭载7寸彩色屏,预装操作帮助菜单,方便人机交换的协同和学习,可根据物料特性进行智能采样学习功能。
2. 高灵敏度传感器应用加集成式控制方式,有效解决铝膜、铝箔类包装制品带磁性金属异物的检测能力。
3. 采用32位微处理器,超强数字信号分析和处理,提高了系统的灵敏度、抗干扰性和长时间运行稳定性。
4. 可以通过USB备份数据。
5. 支持软件升级,方便系统维护。
1. 定制塑料链板,减小干扰源,运行平稳,保证整机的检测灵敏度,拆装维护更方便。
2. 不锈钢一体式机架,简洁美观,清洗维护更方便。
3. 正反输送设计,灵活对接包装产线的匹配要求。
4. 内置高灵敏度传感器,可有效屏蔽铝膜包装制品自带的信号,准确判定包装品内磁性金属异物。
4. 多种不良品的甄选剔除方式可选配应用。
型号 | JW-GL2415 |
识别代号 | GL2415-1-1 |
防护等级 | IP54/IP66 |
速度 | 15-35m/min |
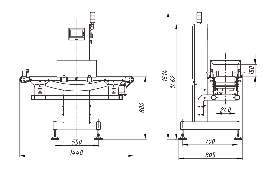
通过尺寸(mm) | 宽度:240mm 高度可调:20-150mm |
检测灵敏度(mm) | Fe:φ1.5 Sus:φ2.5 |
电源要求 | 220V/180W/50/60Hz/0.8A |
包装尺寸(mm) | 1570(L)x880(W)x1490(H) |
包装重量 | 170kg |



