
适合于流动性较好的颗粒类物料、茶叶、中草药、种子、豆类、咖啡豆、巧克力豆、果仁、味精、鸡精等小计量的混料配方定量称重。

1. 可满足2合1、3合1、4合1多种配方称重混合。
2. 更多的料斗组合数,称重精度更高。
3. 混料重量可以由最后一种物料进行自动补偿。
4. 采用高精度的特制传感器。
5. 智能化的故障报警提示,维护更方便。
6. 高速异步放料功能,有效防止物料阻塞。
7. 全新高集成模块化设计,采用了CAN总线技术。
8. Modbus工业标准通信协议,实现组合秤和包装机界面合二为一。
1. 采用分隔上料斗,用于多种混合配方物料。
2. 采用独立主振机,分别控制不同物料的加料厚度。
3. 整体式机箱和中座增强了机器的刚性和强度,使得称量更准确。
4. 统一的设计标准,采用模具制作工艺,使各个零部件的互换性更强。
5. 稳定式的铝壳结构使得料斗运行更稳定,读数更精准,整体式机箱和中座增强了机器的强度,使得料斗的稳定时间更短。
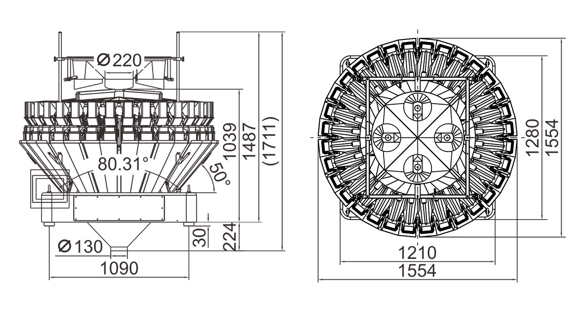
6. 另有24头混料微型与32头4混料型可选。
型号 | JW-A24 | JW-A24 | JW-A32 | JW-A32 |
识别代号 | A24-2-1 | A24-2-2 | A32-2-1 | A32-2-3 |
称重范围 | 5-240g | 5-240g | 5-240g | 10-10000g |
称重精度范围 | X(0.5) | X(0.5) | X(0.5) | X(0.5) |
最大称重速度 | 60x4P/M(4种物料混合) | 60x3P/M(3种物料混合) | 60x4P/M(4种物料混合) | 60x4P/M(4种物料混合) |
料斗容量 | 0.5L | 0.5L | 0.5L | 1.6L |
操作界面 | 10.1寸触摸屏 | |||
选购装置 | 花纹秤斗/集料斗/数据打印装置/超重选别装置 | |||
驱动方式 | 步进电机 | |||
电源要求 | 220V/1500W/50Hz/60Hz/10A | 220V/2500W/50/60Hz/15A | 220V/2500W/50/60Hz/18A | |
包装尺寸(mm) | 1800(L)x1250(W)x1110(H) | 2100(L)x1480(W)x1130(H) | 3000(L)x2100(W)x1400(H) | |
包装重量 | 440kg | 600kg | 1300kg | |



