

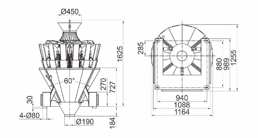
الميزان متعدد الرؤوس ذو 14 رأسًا من أسماك الأنشوجة مناسب للمواد ذات اللزوجة العالية وبكثير من الزيت ، ومن السهل التمسك بالوعاء والمواد التي يمكن أن تنزلق في المزلق ذي 60 زاوية ، مثل السمك الحار ، وبطة الصلصة ، إلخ.

1. خلية تحميل خاصة بدقة عالية ومعايير عالية.
2. وظيفة استعادة البرنامج يمكن أن تقلل من فشل العملية ، وتدعم معايرة الوزن متعددة القطع.
3. لا توجد وظيفة توقف تلقائي للمنتجات يمكنها تحسين استقرار الوزن.
4. تتوفر العديد من اللغات للأسواق العالمية.
5. سعة 100 برنامج يمكن أن تلبي متطلبات الوزن المختلفة وقائمة المساعدة سهلة الاستخدام تساهم في التشغيل السهل.
1. يسرع هزاز الحث الكهرومغناطيسي المعزز تغذية المواد.
2. حوض اهتزاز خطي مائل لضمان التدفق السلس للمواد.
3. شلال مفرغ بزاوية صغيرة أفضل لسقوط المواد ، تحكم فعال في مشكلة الالتصاق.
4. قادوس مفتوح خاص بباب واحد ، هيكل تصميم مضاد للالتصاق لضمان التدفق السلس للمواد ، ومنع الالتصاق ، وضمان دقة الوزن.
5. كشف الوزن اختياري ، قم بالتحكم الدقيق في وقت التغذية وسمك المادة ، وضمان دقة الوزن.
| نموذج | JW-A10 | JW-A14 |
| تعريف الكود | أ10-16 | أ14-16 |
| نطاق الوزن | 10 ~ 1000 جرام | 10 ~ 1000 جرام |
| صحة | س (0.5) | س (0.5) |
| السرعة القصوى | 40P / م | 60P / م |
| حجم القادوس | 1.6 لتر | |
| لوحة التحكم | شاشة تعمل باللمس مقاس 7 بوصات | |
| خيارات | لوحة الدمل / قادوس التوقيت / الطابعة / جهاز الرفض | |
| نظام القيادة | محرك خطوة | |
| متطلبات الطاقة | 110/220 فولت / 1000 واط / 50/60 هرتز / 8 أمبير | 110/220 فولت / 1500 واط / 50/60 هرتز / 10 أمبير |
| أبعاد التعبئة (مم) | 1620 (طول) × 1100 (عرض) × 1420 (ارتفاع) | 1750 (طول) × 1160 (عرض) × 1420 (ارتفاع) |
| الوزن الإجمالي | 380 كجم | 490 كجم |



