

ميزان الحزام ذو الرأس الأحادي 2nd G مناسب للسكر البني والملح الصناعي والمواد الأخرى ذات اللزوجة الطفيفة ، وكذلك حبات الذرة الطازجة والقرنبيط وشرائح البصل والكتل الأخرى والمكعبات والساق ومنتجات نباتية أخرى.

1. نظام التحكم المعياري الجديد الكبير.
2. يمكن تعديل المعلمة بحرية وفقًا للإنتاج.
3. اعتماد طريقة التغذية غير المتدرجة للتحكم في تدفق المواد في الوقت الحقيقي لضمان وزن دقيق.
1. الآلة كلها مصنوعة من مواد غذائية من الفولاذ المقاوم للصدأ لضمان صحة الطعام وسلامته.
2. أحزمة ناقلة مخصصة للطعام لتلبية احتياجات التطبيقات المختلفة للمواد المختلفة.
3. هيكل سهل الإزالة لسهولة الصيانة والتنظيف.
4. خلية تحميل خاصة مخصصة لتحسين دقة الوزن.
5. مجهزة ببوابات مستقلة ، تحقق تلقائيًا فتح وإغلاق البوابة وفقًا لإشارة التغذية المرتدة.
6. يمكن تفكيك الأجزاء الملامسة للمواد بسرعة.
| نموذج | JW-AX1 |
| تعريف الكود | XM1-2-2 |
| نطاق الوزن | 500-12000 جرام |
| صحة | اكس (1) |
| السرعة القصوى | 8P / م |
| حجم القادوس | 15 لتر |
| المعلمات اضغط لا. | 100 |
| منتجات ماكس مختلطة | 1 |
| لوحة التحكم | شاشة تعمل باللمس مقاس 7 بوصات |
| خيارات | لوحة الدمل / قادوس التوقيت / الطابعة / جهاز الرفض |
| متطلبات الطاقة | 220 فولت / 250 واط / 50/60 هرتز / 1.2 أمبير |
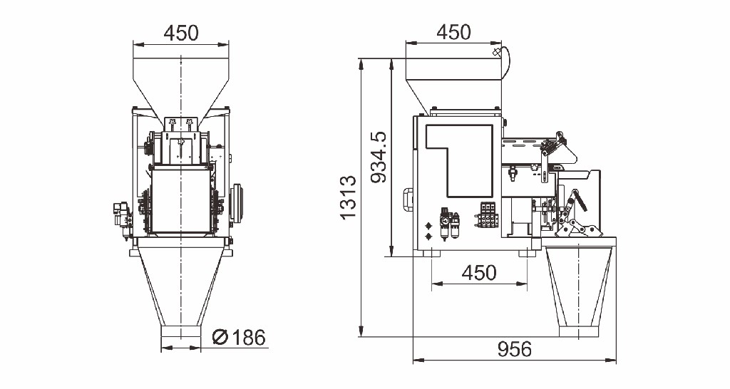
| أبعاد التعبئة (مم) | 1150 (طول) × 700 (عرض) × 1090 (ارتفاع) |
| الوزن الإجمالي | 200 كجم |



