

La peseuse associative à 14 têtes de poisson à l'anchois convient aux matériaux à haute viscosité et avec beaucoup d'huile, elle est facile à coller sur la trémie et les matériaux qui peuvent glisser dans la goulotte déchargée à 60 angles, tels que le poisson épicé, le canard en sauce, etc.

1. Cellule de charge spéciale de haute précision et de haute qualité.
2. La fonction de récupération du programme peut réduire les échecs de fonctionnement, prendre en charge l'étalonnage du poids multi-segments.
3. Aucune fonction de pause automatique de produits ne peut améliorer la stabilité de pesage.
4. De nombreuses langues sont disponibles pour les marchés mondiaux.
5. La capacité de 100 programmes peut répondre à diverses exigences de pesage et le menu d'aide convivial contribue à une utilisation facile.
1. Le vibrateur à induction électromagnétique amélioré accélère l'alimentation du matériau.
2. Plateau de vibration linéaire spécial incliné pour assurer un écoulement régulier des matériaux.
3. La goulotte déchargée avec un petit angle est meilleure pour la chute des matériaux, un contrôle efficace du problème de collage.
4. Trémie ouverte spéciale à une porte, structure de conception anti-adhésive pour assurer un écoulement régulier des matériaux, empêcher le collage et assurer la précision de pesage.
5. La détection de pesage est facultative, effectue un contrôle précis du temps d'alimentation et de l'épaisseur du matériau, assure la précision du pesage.
| Modèle | JW-A10 | JW-A14 |
| Identifier le code | A10-16 | A14-16 |
| Gamme de pesage | 10 ~ 1000g | 10 ~ 1000g |
| Précision | X (0,5) | X (0,5) |
| Vitesse maximale | 40P / M | 60P / M |
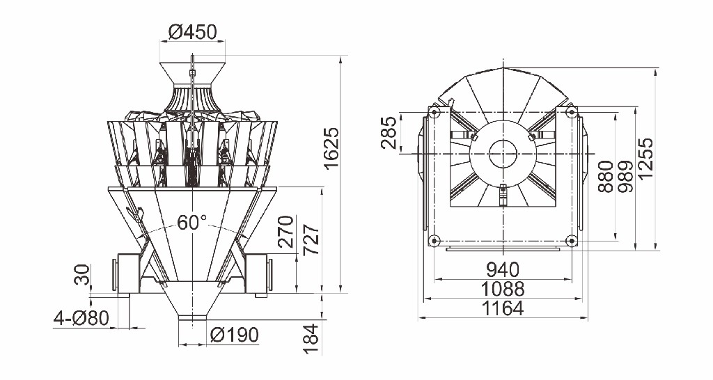
| Volume de la trémie | 1,6 L | |
| Panneau de configuration | Écran tactile de 7 pouces | |
| Options | Plaque à fossettes / trémie de synchronisation / imprimante / dispositif de rejet | |
| Système de conduite | Moteur pas à pas | |
| Puissance requise | 110 / 220V / 1000W / 50 / 60Hz / 8A | 110 / 220V / 1500W / 50 / 60Hz / 10A |
| Dimension d'emballage (mm) | 1620 (L) x1100 (L) x1420 (H) | 1750 (L) x1160 (L) x1420 (H) |
| Poids brut | 380 kg | 490 kg |



