

La peseuse 4ème G trois couches à 24 têtes convient pour peser les graines, les arachides, les noix, les amandes, les raisins secs, les bonbons, les pistaches, les croustilles, les boulettes et autres granulés, feuilles, bandes, matériaux de forme ronde.

1. Cellule de charge spéciale de haute précision et de haute qualité.
2. Alarme de défaut intelligente, commodité pour la maintenance.
3. La fonction de décharge échelonnée à grande vitesse, empêche efficacement les matériaux de blocage.
4. Compensation automatique en mode de pesée de mélange.
5. La carte électrique du module et le mode stable d'échantillonnage multiple intelligent rendent le pesage plus précis.
1. L'unité de pesage de trémie universelle améliore l'interchangeabilité des pièces de la machine entière.
2. Il dispose d'un seau de mémoire pour réaliser le stockage temporaire des matériaux de pesage, augmenter la probabilité de combinaison et améliorer efficacement la précision de la combinaison.
3. Séparez la plaque de vibration principale, la machine unique peut être utilisée pour plus de 2 types (max. Jusqu'à 6 types) d'application de formule de matériau mixte.
4. La machine de vibration principale indépendante est utilisée pour contrôler l'épaisseur d'alimentation de différents matériaux.
5. Le soudage intégré au châssis et au siège central améliore considérablement la résistance de la machine, ce qui réduit le temps de stabilité de la trémie.
| Modèle | JW-A24 |
| Identifier le code | A24-4-1 |
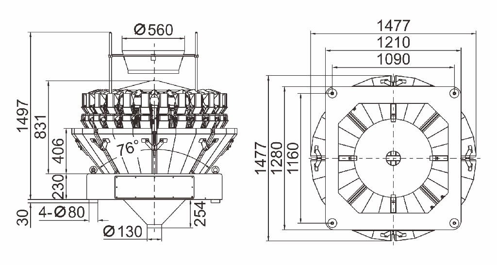
| Gamme de pesage | 12 à 1000g |
| Précision | X (0,5) |
| Vitesse maximale | 60x6P / M |
| Volume de la trémie | 0,5 L |
| Panneau de configuration | Écran tactile de 10,1 po |
| Options | Plaque à fossettes / trémie de synchronisation / imprimante / dispositif de rejet |
| Système de conduite | Moteur pas à pas |
| Puissance requise | 110 / 220V / 2800W / 50 / 60Hz / 13A |
| Dimension d'emballage (mm) | 2100 (L) x1480 (L) x1130 (H) |
| Poids brut | 650 kg |



