

Он специально разработан для подсчета проектов, таких как чайные пакетики, кофейные пакетики, зерновые и соевые бобы, сухое молоко, фурнитура, пластик и т. Д.

1. специальный датчик нагрузки с высокой точностью и высоким стандартом.
2. Функция восстановления программы может уменьшить сбои в работе и поддерживать многосегментную калибровку веса.
3. Отсутствие функции автоматической паузы в продуктах может улучшить стабильность и точность взвешивания.
4. линейную амплитуду можно регулировать независимо.
5. Многие языки доступны для мировых рынков.
Вместимость 6.100 программ может удовлетворить различные требования к взвешиванию, а удобное меню помощи упрощает работу.
1.Уникальное и специально разработанное программное обеспечение для подсчета, используйте разгрузочный желоб без разделителя, чтобы избежать проблем с блокировкой.
2. Оснащенный специально разработанным центральным конусом, вращающийся верхний конус может равномерно распределять продукты в каждый лоток линейного питателя. Оснащен программным обеспечением как для взвешивания, так и для подсчета.
3. Тип взвешивания для обнаружения материала позволяет точно контролировать время подачи и толщину материала, а также обеспечивает точность взвешивания.
4. Процесс изготовления форм и единые стандарты дизайна способствуют лучшей взаимозаменяемости запасных частей.
5. Обнаружение ячеек загрузки под верхним конусом обеспечивает плавный процесс подачи с конвейера и позволяет избежать проблем с блокировкой на верхнем конусе.
| Модель | JW-A12 | JW-A14 |
| Определить код | A12-1-2 | A14-1-2 |
| Диапазон взвешивания | 10-30PCS | 10-30PCS |
| точность | Х (0,5) | Х (0,5) |
| Максимальная скорость | 30P / М | 40P / М |
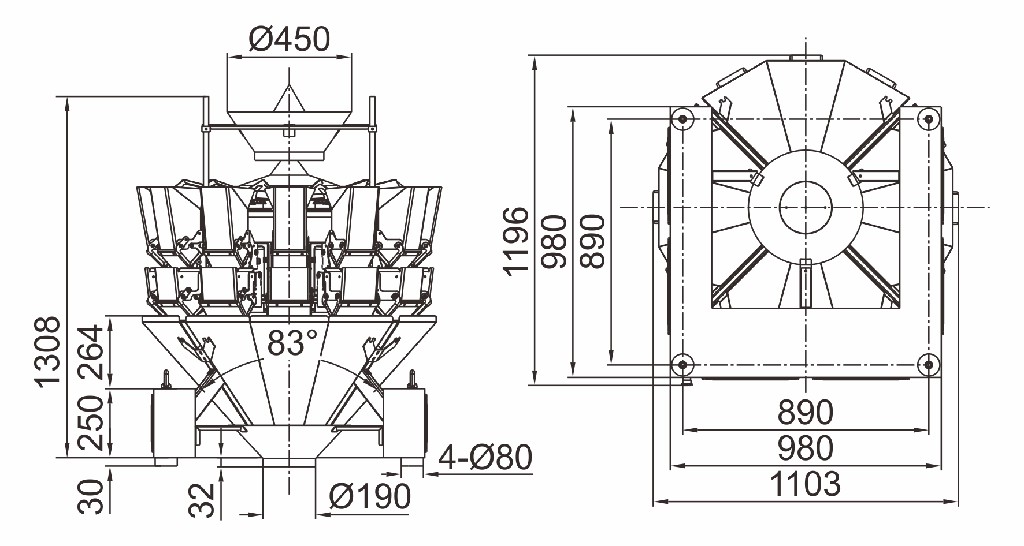
| Объем бункера | 2.5L | |
| Панель управления | 7-дюймовый сенсорный экран | |
| Параметры | Пластина с углублениями / бункер для синхронизации / принтер / устройство для отбраковки | |
| Система вождения | Шаговый двигатель | |
| Требования к мощности | 220V / 1000W / 50/60 Гц / 10A | 220V / 1500W / 50/60 Гц / 10A |
| Размер упаковки (мм) | 1700 (L) X1100 (W) X1130 (Н) | 1700 (L) X1100 (W) x1265 (H) |
| Общий вес | 470kg | 490kg |



