

Аппаратные мультиголовочные весы подходят для взвешивания небольших аппаратных средств и пластиковых деталей, длина менее 80 мм, вес одной детали менее 100 г.

1. Специальный датчик нагрузки с высокой точностью и высоким стандартом.
2. Функция восстановления программы может уменьшить сбои в работе, поддерживает многосегментную калибровку веса.
3. Отсутствие функции автоматической паузы продуктов может улучшить стабильность и точность взвешивания.
4. Линейную амплитуду можно регулировать независимо, что может сделать кормление более равномерным.
5. 15 языков доступны для глобальных рынков.
6. Емкость 100 программ может удовлетворить различные требования к взвешиванию, удобное меню помощи на сенсорном экране способствует простоте эксплуатации.
1. Специальный датчик веса для оборудования, имеет сильную ударопрочность.
2. Материал соприкасающихся деталей добавлен шумопоглощающим ПВХ.
3. Усовершенствованный линейный вибратор.
4. Цельнолитой алюминиевый корпус машины для утолщения повышает ее прочность и сокращает время стабилизации образца.
5. Используйте более толстые и прочные ковши.
| Модель | JW-A10 | JW-A14 |
| Определить код | A10-1-15 | A14-1-15 |
| Диапазон взвешивания | 10-2000g | 10-3000g |
| точность | Х (0,5) | Х (0,5) |
| Максимальная скорость | 65P / М | 120P / М |
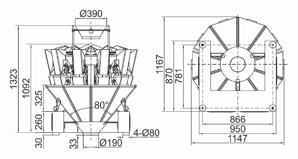
| Объем бункера | 1.6L | |
| Панель управления | 7-дюймовый сенсорный экран | |
| Параметры | Загрузочный бункер / принтер / отклоняющее устройство | |
| Система вождения | Шаговый двигатель | |
| Требования к мощности | 220V / 1000W / 50Hz / 60Hz / 10A | 220V / 1000W / 50Hz / 60Hz / 10A |
| Размер упаковки (мм) | 1620 (L) X1100 (W) x1420 (H) | 1700 (L) X1130 (W) x1280 (H) |
| Общий вес | 380kg | 480kg |



