

La pesadora de múltiples cabezales a prueba de fugas es adecuada para pesar pequeños gránulos como arroz, azúcar, té fino, detergente en polvo, etc.

1.Célula de carga especial con alta precisión y alto nivel.
2. La función de recuperación del programa puede reducir las fallas de operación y soportar la calibración de peso de múltiples segmentos.
3.La función de pausa automática de ningún producto puede mejorar la estabilidad del pesaje.
4.La amplitud lineal se puede ajustar de forma independiente.
5.Muchos idiomas disponibles para los mercados globales.
La capacidad de 6.100 programas puede cumplir con varios requisitos de pesaje y el menú de ayuda fácil de usar contribuye a una operación sencilla.
1. El alimentador de boca múltiple puede dispensar productos en cada bandeja de alimentación lineal de manera efectiva.
2.Las bandejas de alimentación lineales en forma de U especialmente diseñadas pueden evitar problemas de fugas.
3. El proceso de fabricación de moldes y los estándares de diseño uniformes contribuyen a una mejor intercambiabilidad de las piezas de repuesto.
4. El soporte intermedio engrosado con aluminio mejora la resistencia de la máquina, lo que hace que el tiempo para estabilizar las tolvas sea mucho más corto.
5. Hay disponible un tipo de pesaje para la detección de material, que puede realizar un control preciso del tiempo de alimentación y el grosor del material y garantizar la precisión del pesaje.
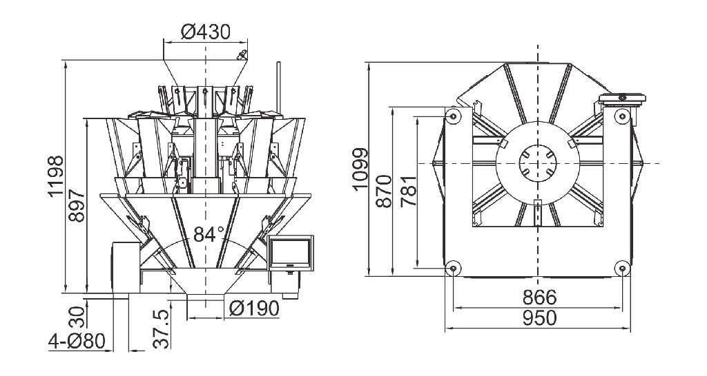
| Modelo | JW-A10 | JW-A14 |
| Código de identificación | A10-1-4 | A14-1-4 |
| Rango de pesaje | 20-1000g | 20-1500g |
| Exactitud | X (0,5) | X (0,5) |
| Máxima velocidad | 65P / M | 120P / M |
| Volumen de la tolva | 1.6L / 2.5L | |
| Panel de control | Pantalla táctil de 7 '' | |
| Opciones | Tolva de sincronización / Impresora / Dispositivo de rechazo | |
| Sistema de conducción | Motor paso a paso | |
| Requisitos de energía | 220V / 1000V / 50 / 60Hz / 10A | 220V / 1500W / 50 / 60Hz / 12A |
| Dimensión de embalaje (mm) | 1620 (largo) x1100 (ancho) x1110 (alto) | 1700 (largo) x1100 (ancho) x1265 (alto) |
| Peso bruto | 380kg | 490 kg |



