

La pesadora de múltiples cabezales de hardware es adecuada para pesar pequeños accesorios y piezas de plástico, la longitud es inferior a 80 mm, el peso de una sola pieza es inferior a 100 g.

1. Célula de carga especial con alta precisión y alto nivel.
2. La función de recuperación del programa puede reducir las fallas de operación, admite calibración de peso de múltiples segmentos.
3. Ninguna función de pausa automática de productos puede mejorar la estabilidad y precisión del pesaje.
4. La amplitud lineal se puede ajustar de forma independiente, puede hacer que la alimentación sea más uniforme.
5. 15 idiomas disponibles para mercados globales.
6. La capacidad de 100 programas puede cumplir con varios requisitos de pesaje, el menú de ayuda fácil de usar en la pantalla táctil contribuye a una fácil operación.
1. Celda de carga especial para hardware, tiene una fuerte resistencia al impacto.
2. Las piezas en contacto con el material añaden PVC antirruido.
3. Vibrador lineal mejorado.
4. Toda la carcasa de la máquina espesante de aluminio fundido mejoró la resistencia de la máquina y acortó el tiempo de estabilidad de la muestra.
5. Se utilizarán baldes más gruesos y resistentes.
| Modelo | JW-A10 | JW-A14 |
| Código de identificación | A10-1-15 | A14-1-15 |
| Rango de pesaje | 10-2000g | 10-3000g |
| Exactitud | X (0,5) | X (0,5) |
| Máxima velocidad | 65P / M | 120P / M |
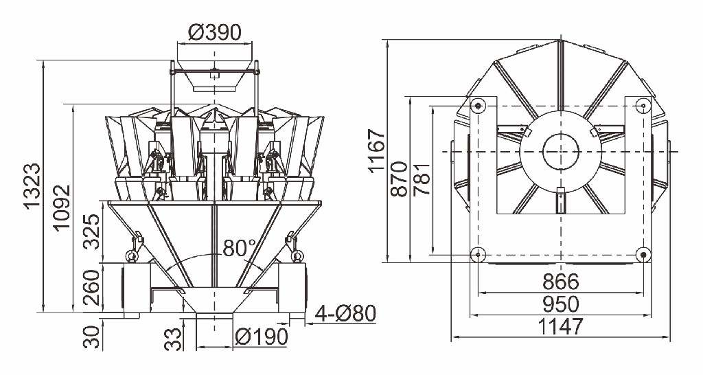
| Volumen de la tolva | 1,6 litros | |
| Panel de control | Pantalla táctil de 7 " | |
| Opciones | Tolva de sincronización / Impresora / Dispositivo de rechazo | |
| Sistema de conducción | Motor paso a paso | |
| Requisitos de energía | 220V / 1000W / 50Hz / 60Hz / 10A | 220V / 1000W / 50Hz / 60Hz / 10A |
| Dimensión de embalaje (mm) | 1620 (largo) x1100 (ancho) x1420 (alto) | 1700 (largo) x1130 (ancho) x1280 (alto) |
| Peso bruto | 380kg | 480 kg |



