

Solicitud
La pesadora multicabezal estándar es adecuada para pesar alimentos de ocio como dulces, semillas, gelatina, alimentos para mascotas, alimentos hinchados, pistachos, cacahuetes, nueces, pasas, etc. pronto.

Caracteristicas
1. Célula de carga especial con alta precisión y alto nivel.
2. La función de recuperación del programa puede reducir las fallas de operación y admite calibración de peso de múltiples segmentos
3. La función de pausa automática de ningún producto puede mejorar la estabilidad del pesaje y exactitud
4. La amplitud lineal se puede ajustar de forma independiente en el funcionamiento
5. Muchos idiomas disponibles para mercados globales.
6. La capacidad de 100 programas puede cumplir con varios requisitos de pesaje y el menú de ayuda fácil de usar contribuye a una operación sencilla
Carácter mecánico
La tolva de 1.1.6L / 2.5L, adecuada para todo tipo de materiales estándar comunes, se puede utilizar ampliamente
2.El proceso de fabricación de moldes y los estándares de diseño uniformes contribuyen a una mejor intercambiabilidad de las piezas de repuesto
3.El soporte medio engrosado con aluminio mejora la resistencia de la máquina, lo que hace que el tiempo para estabilizar las tolvas sea mucho más corto
4.El tipo de pesaje para la detección de material está disponible, lo que puede hacer un control preciso del tiempo de alimentación y el grosor del material y garantizar la precisión del pesaje
5.Puede elegir tolva patentada sin resorte, rentable.
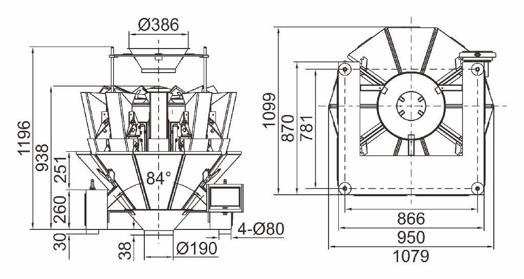
Especificación técnica
| Modelo | JW-A10 | JW-A12 | JW-A14 | JW-AM10 | JW-AM14 | JW-A10 | JW-A14 |
| Código de identificación | A10-1-1 | A12-1-1 | A14-1-1 | AM10-1-1 | AM14-1-1 | A10-1-3 | A14-1-3 |
| Rango de pesaje | 10-1000g | 10-1500g | 10-1500g | 100-3000g | 100-3000g | 10-1000g | 10-1500g |
| Exactitud | X (0,5) | X (0,5) | X (0,5) | X (1) | X (1) | X (0,5) | X (0,5) |
| Máxima velocidad | 65P / M | 100P / M | 120P / M | 50P / M | 80P / M | 60P / M | 100P / M |
| Volumen de la tolva | 1.6 / 2.5L | 5L | 1.6L (sin resorte) | ||||
| Panel de control | Pantalla táctil de 7 '' | ||||||
| Opciones | Placa de hoyuelos / Tolva de sincronización / Impresora / Dispositivo de rechazo | ||||||
| Sistema de conducción | Motor paso a paso | ||||||
| Requisitos de energía | 220V / 1000W / 50 / 60Hz / 10A | 220V / 1200W / 50 / 60Hz / 10A | 220V / 1500W / 50 / 60Hz / 10A | 220V / 1500W / 50 / 60HZ / 10A | 220V / 1500W / 50 / 60HZ / 12A | 220V / 1000W / 50 / 60Hz / 10A | 220V / 1500W / 50 / 60Hz / 12A |
| Dimensión de embalaje (mm) | 1620 (largo) x1100 (ancho) x1110 (alto) | 1700 (largo) x1100 (ancho) x1130 (alto) | 1700 (largo) x1100 (ancho) x1265 (alto) | 1950 (largo) X1280 (ancho) X1690 (alto) | 2195 (L) X1380 (W) X1810 (H) | 1620 (largo) x1100 (ancho) x1110 (alto) | 1700 (largo) x1100 (ancho) x1265 (alto) |
| Peso bruto | 380kg | 430 kg | 490 kg | 600 kg | 750 kg | 380kg | 490 kg |



