

Está especialmente diseñado para proyectos de conteo, como bolsitas de té, bolsitas de café, cereales y soja, leche en polvo, herrajes, plástico, etc.

1.Célula de carga especial con alta precisión y alto nivel.
2. La función de recuperación del programa puede reducir las fallas de operación y soportar la calibración de peso de múltiples segmentos.
3.La función de pausa automática de ningún producto puede mejorar la estabilidad y precisión del pesaje.
4.La amplitud lineal se puede ajustar de forma independiente.
5.Muchos idiomas disponibles para los mercados globales.
La capacidad de 6.100 programas puede cumplir con varios requisitos de pesaje y el menú de ayuda fácil de usar contribuye a una operación sencilla.
1.Software de conteo único y especialmente diseñado, use un conducto de descarga sin divisor para evitar problemas de bloqueo.
2.Equipado con un cono central especialmente diseñado, el cono superior giratorio puede dispensar los productos en cada bandeja de alimentación lineal de manera uniforme. Equipado con softwares de pesaje y conteo.
3. El tipo de pesaje para la detección de material hace un control preciso del tiempo de alimentación y el grosor del material y asegura la precisión del pesaje.
4. El proceso de fabricación de moldes y los estándares de diseño uniformes contribuyen a una mejor intercambiabilidad de las piezas de repuesto.
5. La detección de celda de carga debajo del cono superior asegura un proceso de alimentación suave desde el transportador y evita problemas de bloqueo en el cono superior.
| Modelo | JW-A12 | JW-A14 |
| Código de identificación | A12-1-2 | A14-1-2 |
| Rango de pesaje | 10-30 piezas | 10-30 piezas |
| Exactitud | X (0,5) | X (0,5) |
| Máxima velocidad | 30P / M | 40P / M |
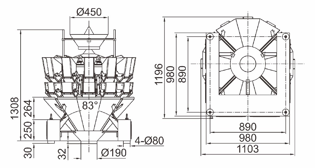
| Volumen de la tolva | 2.5L | |
| Panel de control | Pantalla táctil de 7 '' | |
| Opciones | Placa de hoyuelos / Tolva de sincronización / Impresora / Dispositivo de rechazo | |
| Sistema de conducción | Motor paso a paso | |
| Requisitos de energía | 220V / 1000W / 50 / 60Hz / 10A | 220V / 1500W / 50 / 60Hz / 10A |
| Dimensión de embalaje (mm) | 1700 (largo) x1100 (ancho) x1130 (alto) | 1700 (largo) x1100 (ancho) x1265 (alto) |
| Peso bruto | 470 kg | 490 kg |



